引言
陶瓷泥漿經壓濾脫水操作后,可以去除(濾去)陶瓷原料中混入的有害可溶性鹽類(如:Ca,+、Mg2+、以及其它有影響的陰離子so?-等),濾餅化漿后制成的泥漿穩定性好,特別適用于產品質量要求較高、形狀復雜的高檔衛生潔具和日用陶瓷器皿(如茶壺、花瓶等)的注漿成形用泥漿的制備。由此可見,壓濾機是日用陶瓷、藝術陶瓷、電瓷絕緣子、建筑陶瓷(如陶瓷劈開磚、排污水陶管)、衛生潔具和工業陶瓷(如陶瓷輾棒、陶瓷磨球、中空硼板和蜂窩陶瓷等)塑性成形和注漿成形生產過程中,陶瓷泥漿過濾脫水的關鍵設備。事實上,壓濾機按濾板的排列方式可大致區分為立式(濾板垂直疊壓后形成過濾室)壓濾機和臥式(濾板水平疊壓后形成過濾室)壓濾機,由于立式壓濾機濾餅的卸除較困難等原因,目前陶瓷工業使用的壓濾機幾乎都是臥式壓濾機(通常也簡稱為壓濾機)。同時壓濾機按濾板壓緊力的產生方式的差異又可區分為液壓壓緊型(由液壓油推動油缸活塞產生壓緊濾板濾布的作用力)壓濾機和機械壓緊型(螺旋傳動產生壓緊濾板濾布的作用力)壓濾機。考慮到目前陶瓷泥漿的細度要求越來越細,泥漿所需的過濾脫水阻力較大,而機械壓緊型壓濾機的壓緊力通常較小,顯然陶瓷泥漿壓濾脫水后所得濾餅的含水量通常偏高,工作時稍有疏忽,濾板濾布之間還易產生跑漿(俗稱“爆漿”)和濾餅“爛芯”等弊病。因此,目前在陶瓷工業的實際生產過程中,機械壓緊型壓濾機已逐漸被液壓壓緊型壓濾機所取代。研究和探討陶瓷工業壓濾機的常見故障及其解決途徑。

1主要結構
陶瓷工業液壓壓緊型壓濾機是集機、電、液于一體的自動化程度較高的固液分離設備,它主要由主機部分、過濾部分、液壓部分和電氣控制部分所組成。
1.1主機部分
陶瓷工業壓緊型壓濾機通常利用頭部支架和尾部支架承受整臺機器的重量。尾部的止推板和進料管相連接,頭部裝有油缸活塞等壓緊裝置,頭端與尾端由兩根橫梁(也稱導桿)連接成一整體。考慮到壓濾機工作時,橫梁既承受壓緊裝置所產生的壓緊力(水平方向),又承受濾板濾布及陶瓷泥漿的重量載荷(垂直方向)。而且頭端與尾端通常相距較遠,因此每側橫梁中間設有一個或兩個支撐腿,以減少橫梁垂直方向的彎曲變形等,確保油缸活塞帶動推壓板產生預定的壓緊濾板濾布的前進運動(俗稱緊榨)和退回運動(俗稱松榨),從而實現陶瓷泥漿的壓濾脫水操作。由此可見,主機部分是壓濾機的基礎,用于支撐過濾機構及連接其他部件,通常包括止推板(俗稱尾板)、推壓板(俗稱頭板)、油缸裝置和橫梁(也稱導桿)等。壓濾機工作時,油缸活塞推動推壓板,將位于推壓板和止推板之間的濾板和濾布依次壓緊,確保具有一定工作壓力(過濾推動力)的陶瓷泥漿在濾板和濾布所形成的濾室內進行加壓過濾脫水操作。
1.2過濾部分
過濾部分主要是由濾板和過濾布(簡稱濾布)所組成。如圖2所示,濾板是中間有圓孔兩端內凹且具有許多相互連通的排水溝槽的圓形盤狀零件,其上部制有濾布架,兩側部制有支撐耳,通過支撐耳垂直支撐在兩側導桿上。目前濾板的常用材質主要是鑄造鋁合金、鑄鐵、鑄不銹鋼和工程塑料等,因鑄造鋁合金和鑄不銹鋼濾板的鑄造性能差和機械切削加工性能差,生產成本高,通常僅適用于釀酒、食品和化工等特殊行業。鑄鐵濾板的鑄造性能和機械切削加工性能良好,加工后表面噴塑處理后即可適用于陶瓷泥漿的壓濾脫水操作時,濾布還會擠入鋁質濾水板的濾水孔中而損壞,總之,采用鑄鐵濾板脫水操作時,濾布的破損率較高,壓濾脫水操作生產成本較高。因此隨著科學技術的發展,鑄鐵濾板已逐漸被塑料濾板所取代,所以說,目前陶瓷工業廣泛應用的壓濾機幾乎都是塑料濾板壓濾機。
目前塑料濾板的常用材質主要是聚乙烯、聚丙烯、增強聚丙烯、填充聚四氟乙烯、尼龍、聚甲醛和超高分子聚乙烯等。因超高分子聚乙烯是一種新型高效節能材料,具有耐壓、耐磨、耐熱性能好,耐腐蝕、抗沖擊、重量輕、防粘接性能好,并且易于壓注成形和機械切削加工性能良好等優點,這種材質濾板使用壽命長(通常為聚丙烯濾板的4?6倍,鑄鐵濾板的3~9倍)價格適中;同時考慮到目前陶瓷泥漿的細度要求越來越細,陶瓷泥漿所需的過濾脫水阻力大,要求塑料濾板應具有較高的耐壓和耐磨性能等。因此,超高分子聚乙烯塑料濾板是目前陶瓷工業壓濾機的最佳選擇。
濾布屬于機織物,是由經、緯兩系統紗線在織機上相互交織而成的織物。濾布又是一種過濾介質,通常由合成纖維制成。合成纖維是化學纖維中的一類,它是利用煤、石油和天然氣等為原料,經提煉和化學合成作用而制成,包括:臘綸、滌綸、錦綸、維綸、氯綸及尼龍等,它們不僅具有不發霉、防蟲蛀、質地輕、耐磨、耐酸堿、表面光潔及過濾后形成的濾餅剝離性好等特點,而且還具有抗拉、抗彎、抗磨等物理機械強度高及化學穩定性、熱穩定性好等優點,因此合成纖維濾布是目前過濾行業中應用最廣泛的濾布。同時,考慮到濾布的選用和使用對物料的過濾效果具有決定性的作用,所以說,選用濾布時須根據過濾物料的pH值、固含量的多少、固體微粒物的粒徑等因素選用適宜材質和孔徑的高強度優質濾布,可確保獲得較低的過濾成本和較高的過濾效率。具體包括以下幾方面;
1) 濾布應經久耐用。
2) 濾布應具有良好的化學穩定性和熱穩定性。
3) 濾布應具有極高的物理機械強度。不管過濾物料的多寡或密度的大小如何變化,濾布應能始終保持恒定的過濾速度,為達到這一目標,濾布必須具有較高的耐壓強度及耐磨強度等。
4) 濾布制作前應先下水晾干,待濾布縮水后再制作,但濾布的開孔直徑應與濾板孔徑相等并且同心,通過兩側的銅質空心螺釘、銅質空心螺母(軸心是進漿通道)將濾布壓緊在濾板兩側的表面上。同時還要求濾布應能在給定的時期內保持恒定的過濾速度,如果過濾一開始,濾布的毛細孔就堵塞了,當然就達不到過濾的目的和過濾速度。
5) 要求濾布在形成濾餅之后,還能成為過濾介質而起著過濾的作用,即形成濾餅的剝離性能良好。
6) 保證濾布質量。濾布不應在使用過程中發生收縮變化或膨脹變化等。一般來說,濾布毛細孔堵塞的原因主要是在于組成濾布的纖維本身在使用過程中發生收縮變化或膨脹變化等。
7) 移動濾板時,用力應均勻適當,不得沖擊碰撞等,以免損壞濾板密封面及濾板手把。通常濾布使用一段時間后會變硬或發生毛細孔的堵塞等現象,這時應采用適宜的洗滌方法,如:釆用相應低濃度的弱酸弱堿進行中和清洗后,可以使其恢復到足以繼續使用的程度,否則須及時更換濾布。
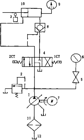
1.3液壓部分
液壓部分主要指液壓站,它是驅動油缸壓緊裝置產生預定的運動實現壓緊各濾板濾布的動力裝置。主要由電動機、聯軸器、軸向柱塞泵、三位四通電磁換向閥、溢流閥、液控單向閥、濾油器、油路塊、油箱、壓力表、壓力表開關和油壓管路等組成。
1.4電氣控制部分
電氣控制部分是整個系統的控制中心,具有欠壓、過壓和過流保護等功能。
2工作原理

按下“活塞前進”按鈕時,油泵電動機工作,液壓油由油箱經濾油器過濾后,送入油路塊和三位四通電磁換向閥,此時換向閥處于中間位置,油泵卸荷。同時時間繼電器開始延時,延時幾秒(可調)后,三位四通換向閥用電磁鐵得電,油泵輸岀的壓力油進入油缸無桿腔并推動活塞帶動推壓板前進。在推壓板、濾板濾布和止推板靠緊時,油壓迅速上升,當油缸無桿腔內的油壓上升到電接點壓力表YX的上限(可調)時,電接點壓力表YX發訊迫使1CT失電,活塞立即停止前進,延時幾秒后油泵停止工作,這時液壓系統因液控單向閥的關閉作用而自動形成鎖緊保壓回路。然后再起動進料泵(液壓柱塞泥漿泵),此時陶瓷泥漿由泥漿攪拌池經進漿管路和止推板上的進料口依次進入各濾板濾布所組成的濾室內進行壓濾脫水操作。
當陶瓷泥漿壓濾機脫水操作結束時,需要活塞退回運動,此時首先應停止進料泵(液壓柱塞泥漿泵),然后開啟止推板上進漿管路上的泥漿轉換開關,待余漿全部排回泥漿攪拌池后,再按下“活塞退回”按鈕,油泵電機立即起動,同時三位四通換向閥用電磁鐵2CT得電,油泵輸岀的壓力油進入油缸有桿腔并推動活塞快
速退回,當活塞退回到終點并壓下行程開關XK時,行程開關XK立即發訊迫使2CT失電,活塞停止退回,延時幾秒后油泵停止工作。最后人工拉開濾板,搬出濾餅,清潔和清洗濾布。這樣就完成了整個陶瓷泥漿的過濾脫水操作過程。
若在脫水過濾過程中,因液壓油的泄漏等引起油壓的下降,當油壓下降到電接點壓力表YX調定的油壓下限時,電氣線路將自動起動油泵,向油缸壓緊裝置進行補能,迫使油缸無桿腔內的油壓再次上升到電接點壓力表YX調定的油壓上限,然后自動斷開電源,油泵停止供油,再次形成鎖緊保壓回路。這樣循環可確保陶瓷泥漿壓濾脫水過程中壓緊力的相對恒定。
3常見故障的產生原因
3.1設備方面
3.1.1油泵電機起動后無壓力油輸出
因油箱內液壓油儲量太少、液面太低、濾油器堵塞、吸油管路連接處松動大量漏氣、油泵磨損嚴重或損壞、電機轉向錯誤、油泵與電機之間的聯軸器損壞及溢流閥的壓力值調得太低或損壞等造成油泵不運轉或空轉吸不上液壓油,或油泵即使吸上油卻從溢流閥卸荷回油箱等,因而造成油泵電機起動后無壓力油輸出。3.1.2按下“活塞前進”按鈕后有壓力油輸出但活塞無前進動作一方面,因軸向柱塞泵、溢流閥、液控單向閥、電磁換向閥和油缸密封件的磨損或損壞等,或因溢流閥的壓力值調得太低和電接點壓力表YX的上限值調得太低造成液壓油工作壓力的降低.或活塞前進方向有較大的額外阻力,結果油缸對活塞的推動力小于活塞前進方向的阻力等導致活塞無前進動作。另一方面,因液壓油污染嚴重,電磁換向閥閥芯卡死,或因電氣控制線路故障等,造成電磁鐵1CT未通電或損壞等,導致液壓油經電磁換向閥的中位卸荷回油箱,無壓力油進入油缸無桿腔,也會造成活塞無前進動作。
3.1.3活塞前進到終點后油泵電機未能自動停止
因電接點壓力表YX損壞或電氣控制線路故障等,即使活塞前進到終點系統油壓升髙后,電接點壓力表YX未能發訊或發訊后因電氣線路故障等未能控制油泵電機停止,造成活塞前進到終點后油泵電機未能自動停止。
3.1.4按下“活塞退回”按鈕后有壓力油輸岀但活塞無退回動作
一方面,因軸向柱塞泵、液控單向閥、溢流閥、電磁換向閥和油缸密封件的磨損或損壞等,或因溢流閥的壓力值調得太低造成液壓油工作壓力的降低;或活塞退回方向有較大的額外阻力,結果油缸對活塞的推動力小于活塞退回方向的阻力等而造成活塞無退回動作。另一方面,因液壓油污染嚴重,電磁換向閥和液控單向閥的閥芯卡死,或因電氣控制線路故障等,造成電磁鐵2CT未通電或損壞等,導致液壓油經電磁換向閥的中位卸荷回油箱,無壓力油進入油卸而造成活塞無退回動作。
3.1.5活塞退回到終點后油泵電機未能自動停止
活塞退回到終點后,因行程開關XK的安裝位置有誤,未能壓下行程開關XK,或即使活塞退回到終點后壓下行程開關XK,因行程開關XK損壞或電氣控制線路故障等,行程開關XK未能發訊或發訊后未能控制油泵電機停止,從而造成活塞退回到終點后油泵電機未能自動停止。
3.1.6液壓系統無補能作用
一方面,因電接點壓力表YX的上、下限值調整不當,造成上、下限值相差很大,那么在壓濾脫水操作的過程中,油缸液壓油也不會下降至電接點壓力表YX的下限值,所以液壓系統無補能作用。另一方面,因電接點壓力表YX損壞或電氣控制線路故障等,電接點壓力表YX未能發訊或發訊后未能控制電磁鐵1CT得電和油泵電機起動,或電磁換向閥閥芯卡死或電磁鐵1CT損壞等導致電磁換向閥換向失效,液壓油由電磁換向閥的中位卸荷回油箱,無壓力油輸出,顯然液壓系統無補能作用。

3.1.7液壓系統頻繁補能
因液控單向閥嚴重磨損或損壞,或油缸密封件嚴重磨損或損壞,導致液壓系統嚴重泄漏,液壓油的工作油壓很快就降低到電接點壓力表YX的下限值,造成油泵電機的頻繁起動并向系統補能;或電接點壓力表YX的上、下限值調整不當,上、下限值相差很小或電氣控制線路故障等,也會造成油泵電機的頻繁起動而向系統補能。
技術:18851718517
郵箱:suton@su-ton.com
板框廂式隔膜壓濾機

